CSTR Modeling and Control Case Study

Continuously Stirred Tank Reactor (CSTR)
A reactor is used to convert a hazardous chemical A to an acceptable chemical B in waste stream before entering a nearby lake. This particular reactor is dynamically modeled as a Continuously Stirred Tank Reactor (CSTR) with a simplified kinetic mechanism that describes the conversion of reactant A to product B with an irreversible and exothermic reaction. It is desired to maintain the temperature at a constant setpoint that maximizes the destruction of A (highest possible temperature).
Case Study Tutorials
CSTR Simulation

- CSTR APM MATLAB Simulator
- CSTR APM Online Simulator
- Change Optimize to Sequential Simulate
- Select Run (Green Arrow)
- Click "View Solution" and Navigate to Dashboard
- View Solution Trends
- CSTR MATLAB Script File (.m) Simulation
- Run step_test.m or gen_data.m
- Edit cstr1.m to view CSTR equations
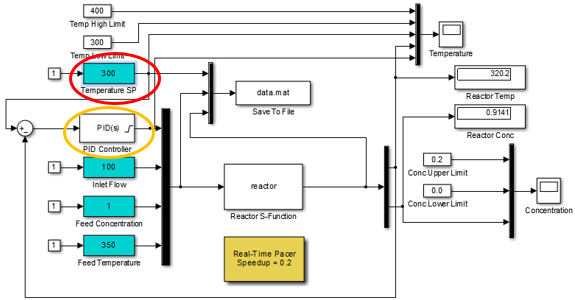
- CSTR MATLAB / Simulink Simulation
- Run Simulink file
- Change cooling jacket temperature
- Observe changes in the concentration and temperature
- CSTR Simulink Linear vs. Nonlinear Comparison
- Model in State Space Form
- Model in Transfer Function Form
- Model in Nonlinear Form (S-Function)
CSTR Parameter Estimation
CSTR Control Resources





